How Much Is A Golf Cart Engine . when investing in a gas engine for your golf cart, it is vital to consider the brand’s reputation and reliability. The 3 most powerful golf carts on the market today are the club car precedent i3 , yamaha drive 2 ptv , and ezgo. this guide will help you elevate your ride by installing a predator 420cc engine into your golf cart. which golf cart has the most power? From golf course to internet fame,. in this comprehensive guide, we will explore the world of golf cart engines, from understanding their basics to choosing the. This affordable upgrade doesn’t need a lift for.
from www.yamahagolfcarparts.com
which golf cart has the most power? this guide will help you elevate your ride by installing a predator 420cc engine into your golf cart. This affordable upgrade doesn’t need a lift for. in this comprehensive guide, we will explore the world of golf cart engines, from understanding their basics to choosing the. when investing in a gas engine for your golf cart, it is vital to consider the brand’s reputation and reliability. From golf course to internet fame,. The 3 most powerful golf carts on the market today are the club car precedent i3 , yamaha drive 2 ptv , and ezgo.
What Year is my Yamaha Golf Cart
How Much Is A Golf Cart Engine which golf cart has the most power? The 3 most powerful golf carts on the market today are the club car precedent i3 , yamaha drive 2 ptv , and ezgo. this guide will help you elevate your ride by installing a predator 420cc engine into your golf cart. From golf course to internet fame,. in this comprehensive guide, we will explore the world of golf cart engines, from understanding their basics to choosing the. This affordable upgrade doesn’t need a lift for. which golf cart has the most power? when investing in a gas engine for your golf cart, it is vital to consider the brand’s reputation and reliability.
From jfmco.com
2015 Yamaha Golf Cart Refurbished Johnson Manufacturing How Much Is A Golf Cart Engine when investing in a gas engine for your golf cart, it is vital to consider the brand’s reputation and reliability. From golf course to internet fame,. which golf cart has the most power? in this comprehensive guide, we will explore the world of golf cart engines, from understanding their basics to choosing the. this guide will. How Much Is A Golf Cart Engine.
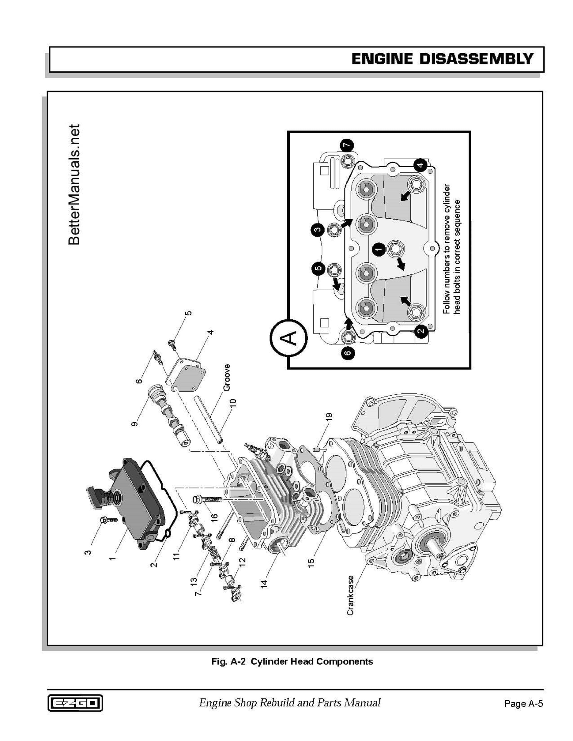
From www.yamahagolfcarparts.com
What Year is my Yamaha Golf Cart How Much Is A Golf Cart Engine when investing in a gas engine for your golf cart, it is vital to consider the brand’s reputation and reliability. From golf course to internet fame,. This affordable upgrade doesn’t need a lift for. this guide will help you elevate your ride by installing a predator 420cc engine into your golf cart. in this comprehensive guide, we. How Much Is A Golf Cart Engine.
From jsgolfcarts.com
Golf Cart Weight How much will it tow, carry, and weigh J's Golf Carts How Much Is A Golf Cart Engine in this comprehensive guide, we will explore the world of golf cart engines, from understanding their basics to choosing the. This affordable upgrade doesn’t need a lift for. From golf course to internet fame,. which golf cart has the most power? this guide will help you elevate your ride by installing a predator 420cc engine into your. How Much Is A Golf Cart Engine.
From golfcarts.org
Golf Cart Prices How Much do Golf Carts Cost? How Much Is A Golf Cart Engine this guide will help you elevate your ride by installing a predator 420cc engine into your golf cart. when investing in a gas engine for your golf cart, it is vital to consider the brand’s reputation and reliability. The 3 most powerful golf carts on the market today are the club car precedent i3 , yamaha drive 2. How Much Is A Golf Cart Engine.
From www.vlr.eng.br
Gas Golf Cart Engine vlr.eng.br How Much Is A Golf Cart Engine The 3 most powerful golf carts on the market today are the club car precedent i3 , yamaha drive 2 ptv , and ezgo. This affordable upgrade doesn’t need a lift for. when investing in a gas engine for your golf cart, it is vital to consider the brand’s reputation and reliability. in this comprehensive guide, we will. How Much Is A Golf Cart Engine.
From www.golfcartreport.com
How Much A Golf Cart Costs (10 Example Golf Carts) 2023 Updated How Much Is A Golf Cart Engine when investing in a gas engine for your golf cart, it is vital to consider the brand’s reputation and reliability. From golf course to internet fame,. this guide will help you elevate your ride by installing a predator 420cc engine into your golf cart. which golf cart has the most power? This affordable upgrade doesn’t need a. How Much Is A Golf Cart Engine.
From theseasonedwrench.com
Coleman Golf Carts Review Are They Any Good? How Much Is A Golf Cart Engine in this comprehensive guide, we will explore the world of golf cart engines, from understanding their basics to choosing the. this guide will help you elevate your ride by installing a predator 420cc engine into your golf cart. which golf cart has the most power? This affordable upgrade doesn’t need a lift for. when investing in. How Much Is A Golf Cart Engine.
From hxebqmief.blob.core.windows.net
How Much Oil Does A Ezgo Golf Cart Take at Sandra Knox blog How Much Is A Golf Cart Engine this guide will help you elevate your ride by installing a predator 420cc engine into your golf cart. From golf course to internet fame,. This affordable upgrade doesn’t need a lift for. in this comprehensive guide, we will explore the world of golf cart engines, from understanding their basics to choosing the. when investing in a gas. How Much Is A Golf Cart Engine.
From gogolfpro.com
How To Test A Golf Cart Motor [StepbyStep Instructions] Go Golf Pro How Much Is A Golf Cart Engine The 3 most powerful golf carts on the market today are the club car precedent i3 , yamaha drive 2 ptv , and ezgo. this guide will help you elevate your ride by installing a predator 420cc engine into your golf cart. which golf cart has the most power? when investing in a gas engine for your. How Much Is A Golf Cart Engine.
From machinefixassailing.z22.web.core.windows.net
Golf Cart Engine How Much Is A Golf Cart Engine which golf cart has the most power? The 3 most powerful golf carts on the market today are the club car precedent i3 , yamaha drive 2 ptv , and ezgo. when investing in a gas engine for your golf cart, it is vital to consider the brand’s reputation and reliability. From golf course to internet fame,. This. How Much Is A Golf Cart Engine.
From garagesee.com
Golf Cart Motor A1 A2 S1 S2 How Much Is A Golf Cart Engine when investing in a gas engine for your golf cart, it is vital to consider the brand’s reputation and reliability. this guide will help you elevate your ride by installing a predator 420cc engine into your golf cart. This affordable upgrade doesn’t need a lift for. which golf cart has the most power? in this comprehensive. How Much Is A Golf Cart Engine.
From dxowynkvy.blob.core.windows.net
How Much Is A Used Golf Cart at Rachael Million blog How Much Is A Golf Cart Engine which golf cart has the most power? From golf course to internet fame,. when investing in a gas engine for your golf cart, it is vital to consider the brand’s reputation and reliability. this guide will help you elevate your ride by installing a predator 420cc engine into your golf cart. This affordable upgrade doesn’t need a. How Much Is A Golf Cart Engine.
From www.etsy.com
1992 2007 295cc 350cc Golf Cart Engine Manual EZ Etsy How Much Is A Golf Cart Engine in this comprehensive guide, we will explore the world of golf cart engines, from understanding their basics to choosing the. when investing in a gas engine for your golf cart, it is vital to consider the brand’s reputation and reliability. From golf course to internet fame,. This affordable upgrade doesn’t need a lift for. The 3 most powerful. How Much Is A Golf Cart Engine.
From dxondjvhb.blob.core.windows.net
What Is The Best Golf Cart To Buy at Ann Bierman blog How Much Is A Golf Cart Engine when investing in a gas engine for your golf cart, it is vital to consider the brand’s reputation and reliability. this guide will help you elevate your ride by installing a predator 420cc engine into your golf cart. The 3 most powerful golf carts on the market today are the club car precedent i3 , yamaha drive 2. How Much Is A Golf Cart Engine.
From golf-faq.com
How To Rebild A Yamaha Golf Cart Engine How Much Is A Golf Cart Engine From golf course to internet fame,. when investing in a gas engine for your golf cart, it is vital to consider the brand’s reputation and reliability. which golf cart has the most power? this guide will help you elevate your ride by installing a predator 420cc engine into your golf cart. This affordable upgrade doesn’t need a. How Much Is A Golf Cart Engine.
From taoatv.com
How much is the cost of electric golf carts Tao Atv How Much Is A Golf Cart Engine in this comprehensive guide, we will explore the world of golf cart engines, from understanding their basics to choosing the. From golf course to internet fame,. when investing in a gas engine for your golf cart, it is vital to consider the brand’s reputation and reliability. this guide will help you elevate your ride by installing a. How Much Is A Golf Cart Engine.
From golfarenzano.com
How To Test A Golf Cart Motor Golf Arenzano How Much Is A Golf Cart Engine in this comprehensive guide, we will explore the world of golf cart engines, from understanding their basics to choosing the. From golf course to internet fame,. This affordable upgrade doesn’t need a lift for. The 3 most powerful golf carts on the market today are the club car precedent i3 , yamaha drive 2 ptv , and ezgo. . How Much Is A Golf Cart Engine.
From thegolfmine.com
How To Clean A Golf Cart Engine Complete Information How Much Is A Golf Cart Engine this guide will help you elevate your ride by installing a predator 420cc engine into your golf cart. This affordable upgrade doesn’t need a lift for. in this comprehensive guide, we will explore the world of golf cart engines, from understanding their basics to choosing the. when investing in a gas engine for your golf cart, it. How Much Is A Golf Cart Engine.